LED modul 0,72W 3725-170-12V STUDENÁ BÍLÁ
Kód: 07902Související produkty
Detailní popis produktu
LED modul 0,72W 3725-170-12V speciálně pro úzké banery od 3cm, díky speciálné čočce je LED světlo rozptýlenější a nedělá body jako běžné moduly.
LED moduly s krytím IP65 jsou určené pro světelnou reklamu a další LED aplikace pro reklamní účely. Moduly mají dlouhou životnost, vysokou svítivost a použití nová technologie vstřikování IP krytí. Moduly jsou vybaveny samolepící folií pro snadné připevnění.
Tyto moduly jsou osazeny rozptylovými čočkami pro rovnoměrné nasvícení větší plochy.
Prodloužená záruka na 5 let.
Pro dosažení co nejdelší životnosti je potřeba zajistit cirkulaci vzduchu k čipům, aby nedocházelo k přehřívání.
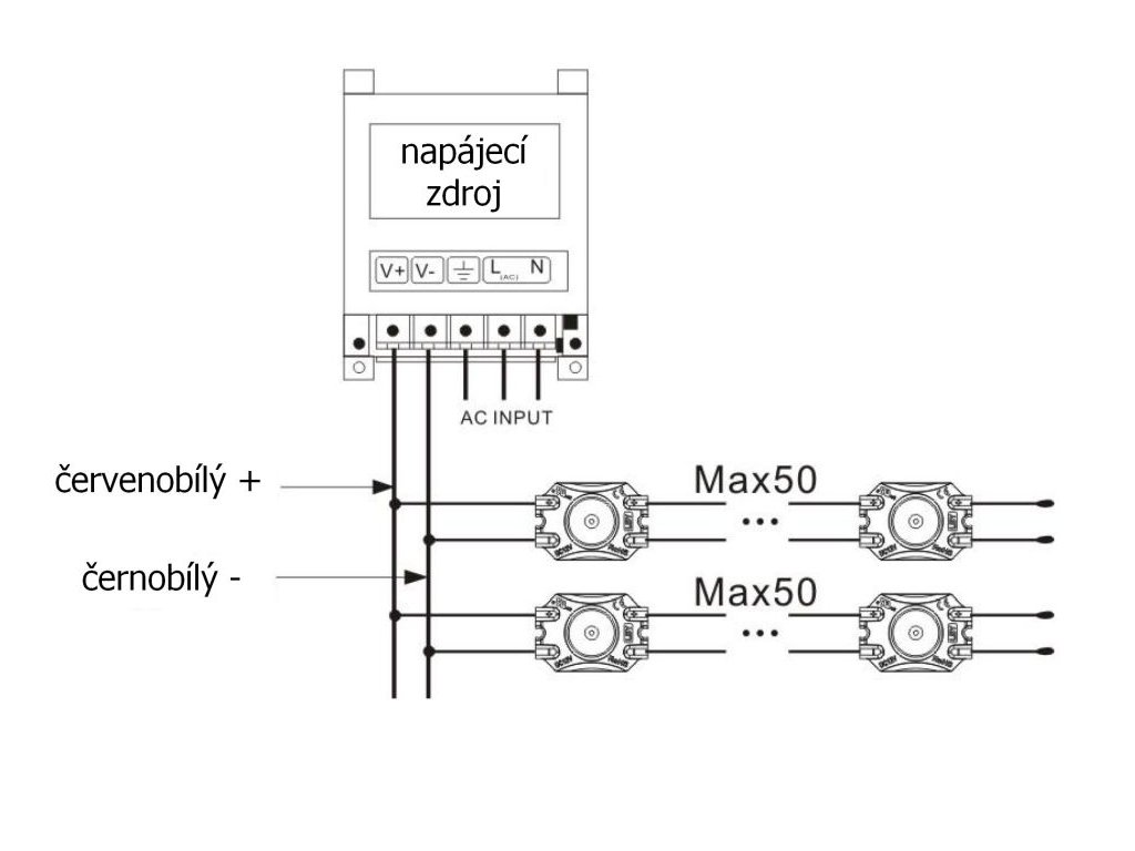
Délka kabelu mezi jednotlivými moduly je 100mm.
Specifikace LED modulu | ||
| Barva světla | Teplá bílá | Studená bílá |
| Barevná teplota | 3000K | 7000K |
| Světelný tok | >55lm | >60lm |
| LED čip | 2835 SMD San'an | |
| Úhel svitu | 170° | |
| Vstupní napětí | 12V DC | |
| Příkon | 0,72W/ks | |
| CRI | >80 | |
| Krytí | IP65 | |
| Životnost | až 50 000 hodin | |
| Provozní teplota | -20°C až +60°C | |
| Balení | 100ks | |
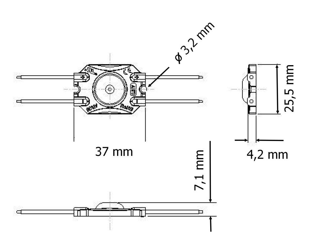
| Rozměry | viz. obrázek | |
| Záruka | 5 let | |
| Maximální délka zapojení | 50ks | |
| Stmívatelný | ano | |
Doporučená instalace při propustnosti materiálu 32%.
| Hloubka (mm) lightboxu | Vzdálenost (mm) | Hustota | Osvětlení (lux) |
| Dz=35 | Dx=80 Dy=80 | 144 | 5400-5800 |
| Dz=40 | Dx=80 Dy=80 | 144 | 5200-5500 |
| Dz=45 | Dx=80 Dy=80 | 144 | 5000-5300 |
| Dz=50 | Dx=80 Dy=80 | 144 | 4800-5100 |
| Dz=55 | Dx=80 Dy=80 | 144 | 4600-4850 |

Doplňkové parametry
| Kategorie: | LED moduly 12V |
|---|---|
| Záruka: | 5 let |
| EAN: | 8596558012289 |
| Barva světla: | Studená bílá |
| Varianta: | Studená bílá |
Buďte první, kdo napíše příspěvek k této položce.
